工业炉窑大气污染物排放标准
GB 9078-1996
批准日期 1996-03-07
实施日期 1997-01-01
工业炉窑大气污染物排放标准
Emission standard of air pollutants for industrial kiln and furnace
GB9078-1996
代替GB4286-84、GB4911-85
GB4912-85、GB4913-85
GB4916-85
(以上标准的工业炉窑部分)
和GB9078-88
国家环境保护局
1996-03-07 批准 1997-01-01 实施
前言
根据《中华人民共和国大气污染防治法》第七务的规定,制定本标准
本标准在原有《工业炉窑烟尘排放标准》(GB9078-88)和其它行业性有关国家大气污染物排放标准(工业炉窑部分)的基础上修订。本标准在技术内容上与原有各标准有一定的继承关系,亦有相当大的修改和变化。
本标准规定了10 类19 种工业炉窑烟(粉)尘浓度、烟气黑度、6 种有害污染物的最高允许排放浓度(或排放限值)和无组织排放烟(粉)尘的最高允许浓度。
本标准从1997 年1 月1 日起实施;
本标准从实施之日起,同时代替:
GB4286-84《船舶工业污染物排放标准》(有关工业炉窑部分);
GB4911-85《钢铁工业污染物排放标准》(有关工业炉窑部分);
GB4912-85《轻金属工业污染物排放标准》(有关工业炉窑部分);
GB4913-85《重有色金属工业污染物排放标准》(有关工业炉窑部分);
GB4916-85《沥青工业污染物排放标准》(有关工业炉窑部分);
1 范围
2 引用标准
3 定义
GB9078-88《工业炉窑烟尘排放标准》。
本标准从实施之日起,GB9078-88 同时废止,其它上述各标准中的有关工业炉窑部分亦同时废止。
本标准由国家环境保护局科技标准司提出;
本标准由国家环境保护局负责解释。
1 范围
本标准按年限规定了工业炉窑烟尘、生产性粉尘、有害污染物的最高允许排放浓度、烟气黑度的排放限值。
本标准适用于除炼焦炉、焚烧炉、水泥工业以外使用固体、液体、气体燃料和电加热的工业炉窑的管理,以及工业炉窑建设项目的环境影响评价、设计、竣工验收及其建成后的排放管理。
2 引用标准
下列标准所包含的条文,通过在本标准中引用而构成为本标准的条文。
GB3095-1996 环境空气质量标准
GB/T 16157-1996 固定污染源排气中颗粒物的测定与气态污染物采样方法
3 定义
本标准采用下列定义:
3.1 工业炉窑
工业炉窑是指在工业生产中用燃料燃烧或电能转换产生的热量,将物料或工件进行冶炼、焙烧、烧结、熔化、加热等工序的热工设备
3.2 标准状态
指烟气在湿度为273K,压力为101325Pa 时的状态,简称“标态”。本标准规定的排放浓度均指标准状态下的干烟气中的数值。
3.3 无组织排放
凡不通过烟囱或排气系统而泄漏烟尘、生产性粉尘和有害污染物,均称无组织排放。
3.4 过量空气系数
燃料燃烧时实际空气需要量与理论空气需要量之比值。
3.5 掺风系数
冲天炉掺风系数是指从加料口等处进入炉体的空气量与冲天炉工艺理论空气需要量之比值。
4 技术内容
4 技术内容
4.1 排放标准的适用区域
4.1.1 本标准分为一级、二级、三级标准,分别与GB3095《环境空气质量标准》中的环境空气质量功能区相对应:
一类区执行一级标准;
二类区执行二级标准;
三类区执行三级标准。
4.1.2 在一类区内,除市政、建筑施工临时用沥青加热炉外,禁止新建各种工业炉窑,原有的工业炉窑改建时不得增加污染负荷。
4.2 1997 年1 月1 日前安装[包括尚未安装,但环境影响报告书(表)已经批准]的各种工业炉窑,烟尘及生产性粉尘最高允许排放浓度、烟气黑度限值按表1 规定执行。




4.3 1997 年1 月1 日起通过环境影响报告书(表)批准的新建、改建、扩建的各种工业炉窑,其烟尘及生产性粉尘最高允许排放浓度、烟气黑度限值,按表2 规定执行。




4.4 各种工业炉窑(不分其安装时间),无组织排放烟(粉)尘最高允许浓度,按表3规定执行。


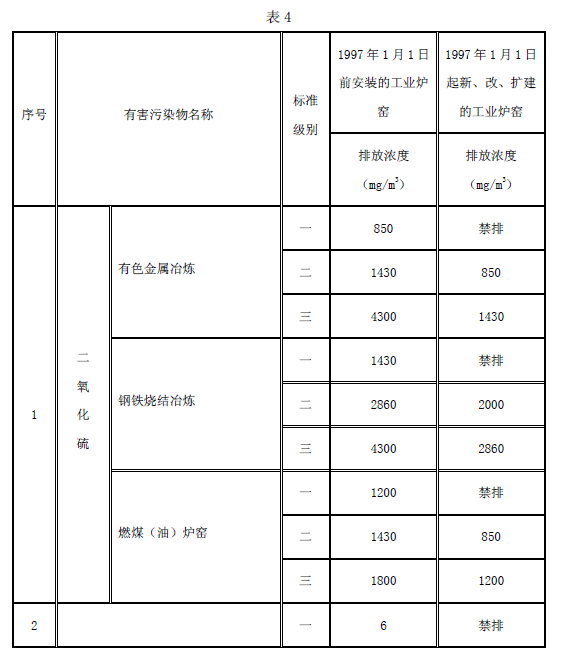
4.5 各种工业炉窑的有害污染物最高允许排放浓度按表4 规定执行



4.6 烟囱高度
4.6.1 各种工业炉窑烟囱(或排气筒)最低允许高度为15m。
4.6.2 1997 年1 月1 日起新建、改建、扩建的排放烟(粉)尘和有害污染物的工业炉窑,其烟囱(或排气筒)最低允许高度除应执行4.6.1 和4.6.3 规定外,还应按批准的环境影响评价报告书要求确定。
4.6.4 各种工业炉窑烟囱(或排气筒)高度如果达不到4.6.1、4.6.2 和4.6.3 的任何一项规定时,其烟(粉)尘或有害污染物最高允许排放浓度,应按相应区域排放标准值的50%执行。
4.6.5 1997 年1 月1 日起新建、改建、扩建的工业炉窑烟囱(或排气筒)应设置永久采样、监测孔和采样监测用平台。
5 监测
5.1 测试工况:测试在最大热负荷下进行,当炉窑达不到或超过设计能力时,也必须在最大生产能力的热负荷下测定,即在燃料耗量较大的稳定加温阶段进行。一般测试时间不得少于2 小时。
5.2 实测的工业炉窑的烟(粉)尘、有害污染物排放浓度,应换算为规定的掺风系数或过量空气系数时的数值:
冲天炉(冷风炉,鼓风温度≤400℃)掺风系数规定为4.0;冲天炉(热风炉,鼓风温度>400℃)掺风系数规定为2.5;其它工业炉窑过量空气系数规定为1.7。熔炼炉、铁矿烧结炉按实测浓度计。
5.3 无组织排放烟尘及生产性粉尘监测点,设置在工业炉窑所在厂房门窗排放口处,并选浓度最大值。若工业炉窑露天设置(或有顶无围墙),监测点应选在距烟(粉)尘排放源5m,最低高度1.5m 处任意点,并选浓度最大值。
6 标准实施
6.1 本标准由县级以上人民政府环境保护主管部门负责监督实施。
6.2 位于国务院批准的酸雨控制区和二氧化硫污染控制内的各种工业炉窑,SO2 的排放除执行本标准外,还应执行总量控制标准。


